Visaton Speaker Kit - VOX 253 Center
Art. No. 5977

Visaton VOX 253 Centre - shown assembled with suggested cabinets, not supplied.
Characteristics and Sound Properties
The VOX 253-CENTER is the corresponding centre speaker to match the VOX 253. This is a horizontal speaker equipped with identical drivers. The TIW 250 XS - 8 OHM bass speaker and a bass reflex tube tube are positioned to left and right of the mid- to high-range unit, which is arranged vertically, behind a fabric-covered frame. If required, the drivers in the speaker can be fitted with compensating magnets to shield them magnetically. The VOX 253-CENTER has the same excellent sound properties as the VOX 253. The reproduction of the unbelievably sonorous low-range bass and, at the same time, extremely clear-cut mid- and high-range reproduction, is mastered effortlessly by the VOX 253-CENTER.
This centre speaker is the ideal choice if you want to build up a multi-channel system around the VOX 253, that will appeal to both seasoned music lovers and aficionados of the cinema.
Technical Specifications
| Rated power | 200 W |
| Maximum power | 350 W |
| Nominal impedance Z | 4 Ohm |
| Frequency response | 28-25000 Hz |
| Mean sound pressure level | 84 dB (1W/1m) |
| Cut-off frequency | 200 / 3000 Hz |
| Principle of Housing | Bassreflex |
| Net volume | 70 litres + 4 litres |
| Outer dimension height | 480 mm |
| Outer dimension width | 870 mm |
| Outer dimension depth | 270 mm |
Exploded Cabinet Drawing

Exploded Speaker Box Drawing
Assembly
The entire cabinet for the VOX 253-CENTER is made of 19 mm boards, apart from the two side pieces, which are 22 mm thick. The speaker cabinet consists of a bass chamber and an enclosed mid-range cabinet. The sides of the medium range chamber are made of T-shaped boards, that double up as reinforcements. These should be cut first. In the front piece, there are the tube on the left, behind a fabric-covered frame and, on the right, the TIW 250 XS. For this you will need two more mounting boards (322 mm x 442 mm), which are glued in place from inside. In the front piece itself, there are two round cut-outs, which have to be cut extremely accurately for optical reasons. The bass reflex tube is covered by a fabric-covered frame. The outer dimensions of the frame are 1 mm smaller than the opening in the front panel. In this way, the frame is jammed in place by the fabric used to cover it and alternative fixing methods (frame dowels) are not necessary.
The crossover unit is mounted on the rear wall beside the bass port.
Internal Damping
The damping uses one mat placed inside the medium range cabinet. The remainder is evenly distributed throughout the cabinet. The area behind the tube remains free. If, as a result of the acoustics in the room, the low-range bass is too powerful, damping this area will have a corresponding effect on the overall bass output level.
Component Parts List for Each Box - Supplied with Kit
The kit comes with all necessary components (see list below for one box), one set if the speaker is an each, or two sets for a pair, see price above for details.
| Tweeter | KE 25 SC - 8 Ohm | 1 pc. |
| Midrange driver | AL 130 - 8 Ohm | 2 pc. |
| Woofer | TIW 250 XS - 8 Ohm | 1 pcs. |
| Crossover | VOX 253 Center | 1 pc. |
| Bass reflex tube | BR 25.50 (length 8 cm) | 1 pc. |
| Terminal | BT 95/75 | 1 pc. |
| Damping material | Polyester wool | 4 bags |
| Wood screws | 3.5 x 19 mm | 16 pcs. |
| Special wood screws | 5 x 30 mm | 6 pcs. |
| Countersunk screws | 3.5 x 25 mm | 4 pcs. |
| Material for speaker covers | width 50 cm | 0.5 m |
| Cable | 2 x 2.5 mm² | 2 m |
| Cable | 2 x 1.5 mm² | 2 m |
Speaker Cabinet Material List to Make 1 Box - Not Supplied with Kit
| Parts for One Box (not supplied) | Size (mm) | Quantity |
| Material: 22 mm chipboard or MDF | ||
| Side panel | 270 x 480 | 1 |
| Material: 19 mm chipboard or MDF recommended | ||
| Front and rear panel | 826 x 480 | 2 |
| Top and bottom panel | 826 x 232 | 2 |
| Baffle for woofer and tube | 322 x 442 | 2 |
| Midrange rear panel | 144 x 442 | 1 |
| Midrange side panel | 232 x 442 | 2 |
| Material: 16 mm chipboard or MDF | ||
| Grille board | Ø 287 | 1 |
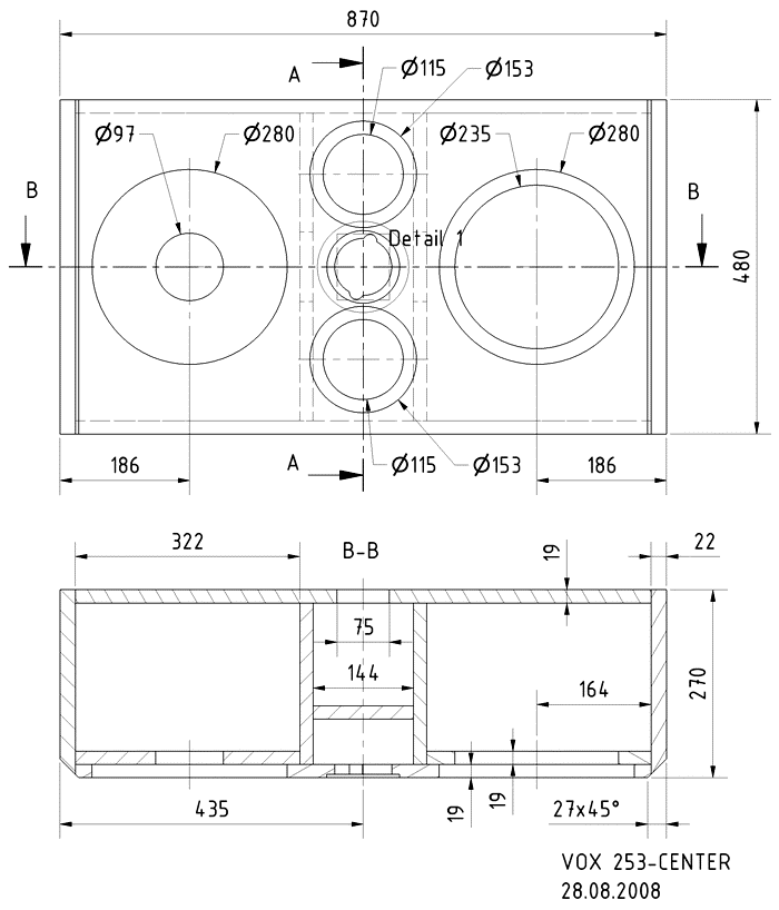
Speaker Cabinet Dimensions


Loudspeaker Box Construction Diagram - all dimensions in mm.
Crossover - Supplied with Kit Already Assembled

Speaker Kit Crossover Circuit